HDHL系列智能回路电阻测试仪
“高颜值、高口碑、高精度”,这就是我们有着“三高”特征的HDHL系列智能回路电阻测试仪。HDHL系列智能回路电阻测试仪采用先进的大功率开关电源技术和科学的线路研发设计而成。是高、低开关、电缆电线及焊缝接触电阻的专用测试仪器。其电流采用GB736所建议的标准直流,可在标准电流的情况下测得被试品的电阻值。
800×480高清彩色7寸触摸屏、人机对话,高速热敏打印机。
各种技术指标达到电力部颁发的DL/T624-1997《继电保护微机型试验装置技术条件》的标准。
显示电阻、电压、电流、电阻率,显示折算标准温度下的电阻值。
设置电阻上限,电阻值合格或超限或无效,自动产生试验状态。
可以设置测量时间从0-9999S,可以长时间工作。内置冷风散热,开关电源自动热保护。
使用了精密仪用运算放大器和高精度四重积分A/D转换器。
使用32位ARM芯片,测量时系统根据信号大小自动切换放大倍数,确保了该产品的测试准确度。
可以输出0-电流,内置逐级升流试验,相当多买一台直流恒流源,一机多用。
本机配有大容量存储,海量存储数据。具有数据存储与数据浏览功能,并具有掉电保护功能。
配有RS232接口(可选配改成RS485),通讯协议是Modbus-RTU。
配有RS232上位机,通信可以控制、上传、生成word/excel文件。
标配蓝牙功能、配有安卓蓝牙APP,可以控制、上传、生成word文件。
线控方式(选配),可以外部一线开关(闭合/断开)控制测试/中断,电阻超限输出空节点可以点亮报警灯。
选配遥控器(选配),一键测试、一键中断测试,可定制遥控器显示试验状态。
可以预设温度,自动折算标准温度下的电阻值。也可以使用温度传感器(选配)实测温度。
可以设置屏幕颜色,可以改成图纹蓝底、图纹黑底,可以设置背景亮度,待机亮度和待机时间。
可以中文输入相关站点、设备、人员、备注等,方便标识保存试验数据,方便标识打印试验数据。
使用大电流线的连接接口,插入拧转就可以,快速方便。
标配为单相,可以选配为二相同测(导体电阻专用测试仪)或三相同测。
技术参数

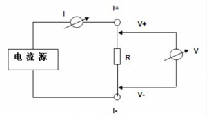
工作原理

由电流源经“I+、I-两端口(也称I型口),供给被测电阻Rx电流,电流的大小有电流表I读出,Rx两端的电压降“V+、V-”两端口(也称V型口)取出,由电压表V读出。通过对I、V的测量,就可以算出被测电阻的阻值。
用户评价
本仪器具有体积小、重量轻、抗干扰能力强、精度高、操作方便、保护功能完善等特点。